Fix Sharp Tube TV Audio: IC Troubleshooting & Replacement

M.Maidsafe 110 views
Fix Sharp Tube TV Audio: IC Troubleshooting & Replacement

Fix Sharp Tube TV Audio: IC Troubleshooting & Replacement

Hey there, DIY enthusiasts and retro tech lovers! If you’ve got an old-school Sharp CRT TV (you know, those wonderfully chunky tube TVs) that’s suddenly gone quiet, or maybe it’s spitting out distorted, crackly sound, chances are you might be dealing with a faulty audio IC . Don’t despair, guys! Before you toss that vintage beauty to the curb, or pay a hefty sum for a professional repair, let’s explore how you can tackle this common problem yourself. Fixing a Sharp tube TV’s audio can be a super satisfying project, and it’s often more straightforward than you’d think. We’re talking about bringing your beloved set back to life, so you can enjoy those classic movies, retro gaming sessions, or just everyday broadcasts with crisp, clear sound once again. This guide is all about empowering you to diagnose and potentially replace the audio integrated circuit (IC) that’s responsible for making your TV sing. We’ll walk through everything from understanding how your TV’s sound system works to safely swapping out the problematic component. It’s a fantastic way to extend the life of your Sharp CRT TV and save some cash in the process. Many people face Sharp tube TV no sound issues, and a significant percentage of these cases point directly to a failing audio IC . This component is essentially the brain behind your TV’s sound output, amplifying the weak audio signals into something powerful enough to drive the speakers. Over time, due to heat, power surges, or just plain old age, these audio amplifier ICs can give up the ghost. But fear not, because with a little patience, the right tools, and this detailed guide, you’ll be well on your way to enjoying crystal-clear audio from your Sharp tube TV again. It’s a truly rewarding experience to perform an audio IC replacement and hear that satisfying sound return. So, let’s get those soldering irons ready and dive into the world of Sharp CRT TV audio repair !

Understanding Your Sharp CRT TV’s Audio System

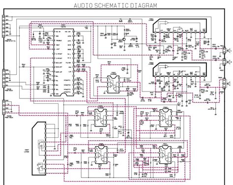
Alright, let’s kick things off by getting a solid grasp on what makes your Sharp tube TV’s audio tick. When we talk about Sharp CRT TV sound issues , it’s often the audio IC that’s the culprit, but understanding its role in the bigger picture is crucial. Think of your TV’s audio system as a small orchestra, and the audio IC is the conductor, ensuring everything plays in harmony. At its core, an audio Integrated Circuit (IC) in a TV is a miniature electronic component packed with transistors, resistors, and capacitors, all working together to perform a specific function – in this case, amplifying sound signals. When an audio signal comes into your TV (from broadcast, DVD, or game console), it’s usually very weak. The audio IC takes this faint signal and boosts its power significantly, making it strong enough to drive your speakers and produce audible sound. Without a properly functioning audio IC , you’ll experience frustrating symptoms like Sharp tube TV no sound at all, or perhaps distorted sound , a persistent hum, crackling, or even intermittent audio that cuts in and out. These are all tell-tale signs that your audio amplifier IC might be failing. Many older Sharp TVs (and CRT TVs in general) often utilize specific types of audio amplifier ICs , commonly multi-pin packages designed for robust power output. These ICs often have dedicated power supply pins, input pins for the audio signal, and output pins that connect directly to the speakers. Some common characteristics of these ICs include being mounted on a heat sink, as they generate heat during operation, which is a normal byproduct of amplification. Heat, over time, can contribute to their degradation, making audio IC replacement a common repair for these vintage units. It’s not just about getting no sound ; sometimes, the sound might be very quiet even at maximum volume, or it could be heavily buzzy or distorted. These are clear indicators that the audio IC is struggling to process and amplify the signal correctly. Knowing these symptoms helps us narrow down the problem, making our troubleshooting for Sharp CRT TV audio much more targeted. Understanding this basic architecture – signal in, IC amplifies, sound out to speakers – is your first step towards confidently tackling an audio IC repair on your Sharp tube TV . So, when your Sharp CRT TV no sound problem crops up, your audio IC is probably giving you a subtle cry for help. It’s usually situated on the main circuit board, often near where the speaker wires connect, and typically bolted to a metal heatsink, a tell-tale sign of its heat-generating nature. Recognizing this component is key to successfully fixing your Sharp tube TV’s audio and getting it back to its prime.

Diagnosing Audio IC Problems in Sharp Tube TVs

Alright, folks, it’s time to put on our detective hats and start diagnosing audio IC problems in your Sharp tube TV . This step is crucial because while the audio IC is a common culprit for Sharp CRT TV no sound or distorted sound , it’s not always the only possibility. We need to rule out other potential issues before jumping straight to an audio IC replacement . First things first: let’s do a quick preliminary check. Are your speakers properly connected? Sometimes it’s as simple as a loose wire. Try testing the TV with external headphones if it has a jack; if you get sound through the headphones but not the speakers, the issue might be with the speakers themselves or the speaker output stage, not necessarily the main audio IC . Also, check all volume and mute settings – obvious, but often overlooked! Next, and this is important, visually inspect the circuit board. Unplug your TV completely from the wall outlet and open it up carefully (more on safety in the replacement section!). Look for any obvious signs of damage around the audio IC area. Are there any bulged or leaking capacitors ? These little cylindrical components can fail and affect power delivery to the IC, causing Sharp tube TV sound issues . Do you see any burnt-looking resistors or traces on the circuit board? Sometimes, a catastrophic IC failure can take other components with it. While you’re in there, gently check for any loose wires or cold solder joints around the audio amplifier IC . If you have a multimeter , you can perform some basic tests. With the TV unplugged (and after discharging capacitors for safety!), you can check for continuity on speaker wires to ensure they aren’t broken. If you’re comfortable and knowledgeable about working with live circuits (and extreme caution is advised here), you can power on the TV and check the voltage supply to the audio IC . Consult the TV’s service manual (often available online for specific models) to identify the power pins for the audio IC and verify if it’s receiving the correct voltage. If the IC isn’t getting the proper power, the problem might lie upstream in the power supply circuit, not the IC itself. However, if the IC is receiving correct power but still no sound or bad sound, it strongly points towards a faulty audio IC . Another common test involves an audio injector or signal generator, which can inject a test signal directly into the audio IC’s input pins to see if you get sound at the output. This is a more advanced technique but can definitively isolate the problem to the IC if you’re getting no output. Always remember to discharge the main filter capacitors before touching anything inside the TV, as they can hold a dangerous charge even after the TV is unplugged. This diagnostic phase is all about being thorough and systematic; it saves you time and prevents unnecessary part replacements. By carefully ruling out other possibilities, you can confidently conclude that an audio IC replacement is indeed the solution to your Sharp tube TV no sound woes. It’s crucial to take your time here and meticulously go through these steps to accurately pinpoint the root cause of your Sharp CRT TV audio problems .

Finding the Right Audio IC for Your Sharp TV

Okay, guys, you’ve successfully diagnosed that your Sharp tube TV’s audio problems are indeed rooted in a faulty audio IC . Now comes the mission-critical part: finding the right audio IC for your Sharp TV . This isn’t a