Kubota RTV 500 Engine Diagram Guide

M.Maidsafe 82 views
Kubota RTV 500 Engine Diagram Guide

Kubota RTV 500 Engine Diagram Guide

Hey guys, if you’re the proud owner of a Kubota RTV 500, you know it’s a workhorse. Whether you’re tackling tough terrain on the farm, hauling gear around the job site, or just enjoying some off-road adventures, this utility vehicle is built to last. But like any machine, sometimes you need to dive under the hood, and that’s where understanding the Kubota RTV 500 engine diagram becomes super important. This isn’t just about fixing things; it’s about knowing your machine inside and out, which saves you time, money, and a whole lot of headaches. So, grab your tools, maybe a cup of coffee, and let’s get into the nitty-gritty of what makes your RTV 500 tick.

The Heart of the Beast: Understanding Your Kubota RTV 500 Engine

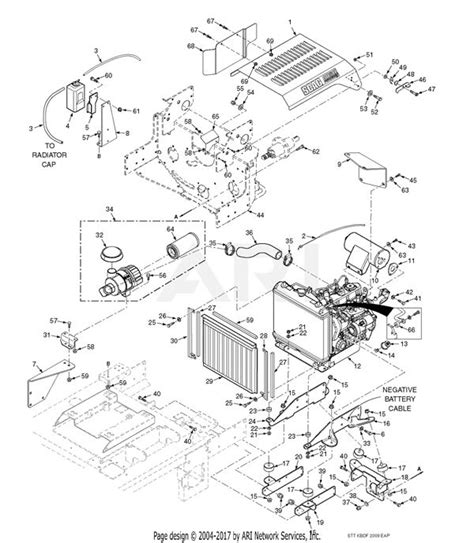
Alright, let’s talk about the engine in your Kubota RTV 500 . This bad boy is powered by a Kubota D902 diesel engine. Now, for those of you who aren’t super familiar with diesel engines, they’re known for their durability and fuel efficiency, which is exactly what you want in a UTV like the RTV 500. This three-cylinder, four-stroke, liquid-cooled diesel engine is a real champ. When you’re looking at the Kubota RTV 500 engine diagram , you’ll see all the key components laid out. We’re talking about the cylinders, the pistons, the crankshaft, the camshaft, the fuel injection system, the cooling system, and the lubrication system. Each of these parts plays a crucial role in making your RTV 500 perform. For example, the fuel injection system is responsible for delivering the right amount of fuel to the cylinders at precisely the right time, ensuring efficient combustion and power. The cooling system, with its radiator and fan, prevents the engine from overheating, especially during those long, hard working days. And the lubrication system keeps all those moving parts running smoothly, reducing wear and tear. Getting a handle on these systems is the first step to becoming a master of your RTV 500. It’s not as intimidating as it sounds, especially when you have a clear diagram to guide you. Think of the diagram as your roadmap to the engine’s inner workings. It shows you where everything is located, how it’s connected, and what its purpose is. This knowledge is power, guys! It empowers you to perform basic maintenance, troubleshoot common issues, and even communicate more effectively with a mechanic if you need professional help. We’ll break down some of the key areas you’ll find on the diagram, so you can start to visualize it even before you get your hands on one.

Decoding the Kubota RTV 500 Engine Diagram: Key Components Explained

Now, let’s get down to the nitty-gritty of what you’ll actually see when you pull up a Kubota RTV 500 engine diagram . It’s like looking at a blueprint for your engine, and understanding these parts is key to keeping your RTV running smoothly. First off, you’ll notice the engine block . This is the main body of the engine, housing the cylinders. Inside the cylinders are the pistons , which move up and down to generate power. Connected to the pistons is the crankshaft , which converts the up-and-down motion of the pistons into rotational motion – the stuff that ultimately turns your wheels. Then you have the cylinder head , which sits on top of the engine block and contains the valves and spark plugs (or in this diesel’s case, injectors). The camshaft controls the opening and closing of these valves, regulating the flow of air and fuel into the cylinders and exhaust gases out. You’ll also see the intake manifold and the exhaust manifold . The intake manifold delivers the air-fuel mixture to the cylinders, while the exhaust manifold channels the spent gases away. Don’t forget the fuel system components – the fuel filter, fuel pump, and injectors are all crucial for getting the right amount of diesel into the engine at the perfect moment. And of course, the cooling system , which includes the radiator, water pump, and thermostat, is vital for keeping everything at the optimal operating temperature. The lubrication system , with its oil pan, oil pump, and oil filter, ensures all those moving parts are well-oiled and protected. Understanding the relationship between these components is what makes the diagram so valuable. For instance, you can trace the path of fuel from the tank, through the filter and pump, to the injectors, and see how it interacts with the air coming through the intake manifold. Similarly, you can follow the cooling system’s circulation or the lubrication system’s flow. This isn’t just an academic exercise; it helps you pinpoint potential problems. If your engine is running hot, you can look at the cooling system components on the diagram to see where a blockage or leak might be. If you’re experiencing power loss, you can investigate the fuel system or the intake/exhaust pathways. So, when you’re looking at that Kubota RTV 500 engine diagram , don’t just see a bunch of lines and boxes. See the interconnected systems that keep your RTV 500 alive and kicking. Each part has a job, and they all work together in a finely tuned dance.

Getting Practical: Using the Kubota RTV 500 Engine Diagram for Maintenance

So, you’ve got the Kubota RTV 500 engine diagram , you’ve got a basic understanding of the parts, now what? This is where the rubber meets the road, guys! Using the engine diagram for regular maintenance is probably the most valuable thing you can do for your RTV 500. Think of it as your DIY service manual. Let’s start with the basics: oil changes . The diagram will clearly show you the location of the oil drain plug and the oil filter. Knowing this makes the job infinitely easier and less messy. You’ll also be able to identify the oil fill cap and the dipstick, so you know exactly where to add new oil and how to check the level. Next up, coolant checks and flushes . The diagram will point out the radiator cap, the coolant reservoir, and the thermostat housing. This helps you understand the coolant circulation path and identify where to drain the old coolant and refill with the correct type and mixture. Filter replacements are another area where the diagram is your best friend. Whether it’s the fuel filter, air filter, or oil filter, the diagram will show you their precise locations, saving you from rummaging around blindly. This is super important because clogged filters can significantly impact performance and even lead to engine damage. For example, a clogged fuel filter can starve the engine of fuel, causing sputtering and power loss. A dirty air filter restricts airflow, making the engine work harder and burn more fuel. When it comes to troubleshooting minor issues , the diagram is invaluable. If your RTV is making a strange noise, you can use the diagram to try and pinpoint the general area the noise is coming from. Is it near the belts? The exhaust? The fuel system? This can help you narrow down the possibilities. If you notice a fluid leak, the diagram can help you identify which component that fluid is associated with – is it engine oil, coolant, or something else? This makes diagnosis much faster and more accurate. Furthermore, when you need to replace a specific part, like a hose or a sensor, the diagram will clearly label that part and its location, making the replacement process much smoother. You’ll know exactly what you’re looking for and where it fits. It also helps when you need to order parts. Instead of just saying “I need that thingy near the engine,” you can refer to the specific part number or name from the diagram, ensuring you get the correct component. So, don’t just stare at the Kubota RTV 500 engine diagram ; use it. Integrate it into your maintenance routine. It’s the key to keeping your RTV 500 running strong for years to come.

Troubleshooting Common Issues with Your RTV 500 Engine Diagram

Guys, let’s be real: even the toughest machines can throw a curveball now and then. When your Kubota RTV 500 starts acting up, the Kubota RTV 500 engine diagram becomes your secret weapon for troubleshooting. Instead of panicking, you can systematically approach the problem. One common issue is difficulty starting . If your RTV is cranking but not firing up, the diagram can guide you. Check the fuel filter location – is it clogged? Follow the fuel lines from the tank to the engine – are there any kinks or leaks? Look at the air intake – is the air filter excessively dirty, restricting airflow? If the engine cranks slowly, it could indicate a battery or starter issue, which you can locate on the diagram as well. Another frequent problem is loss of power . This can be caused by several things. Using the diagram, you can examine the exhaust system for blockages like a collapsed muffler or a critter nest. Check the intake manifold for any obvious leaks or obstructions. If the engine is running rough or sputtering, again, the fuel system is a prime suspect. Trace the fuel lines from the diagram to check for kinks, ensure the fuel pump is functioning (though testing that might require more advanced steps), and verify that the fuel filter is clean. Overheating is another issue that can bring your work to a halt. The Kubota RTV 500 engine diagram shows you the cooling system components: radiator, hoses, water pump, and thermostat. A leak in a hose, a clogged radiator, or a faulty thermostat can all cause overheating. You can visually inspect the hoses for cracks or bulges and ensure the radiator fins aren’t blocked by debris. Strange noises can be unnerving, but the diagram can help isolate the source. Is the noise coming from the vicinity of the belts and pulleys? This might point to a worn belt or a failing bearing. Is it a knocking sound from the engine block area? This could be more serious, potentially related to internal engine components like pistons or bearings, and the diagram helps you understand where those components are located. When troubleshooting, always start with the simplest and most accessible components indicated on the diagram. Don’t immediately jump to assuming the worst. Often, a simple fix like a clogged fuel filter or a loose connection can solve the problem. The diagram provides the context for these checks. It shows you how the systems are interconnected, so you can understand how a problem in one area might affect another. For example, a malfunctioning cooling fan (located near the radiator) could lead to overheating, even if the coolant level is correct. So, when your RTV 500 is misbehaving, don’t just guess. Grab your Kubota RTV 500 engine diagram , think logically, and systematically work through the potential issues. It’s your best tool for getting back up and running quickly.

Beyond the Basics: Advanced Use and Resources for Your RTV 500 Engine Diagram

Once you’ve mastered the basics of using the Kubota RTV 500 engine diagram for routine maintenance and simple troubleshooting, you might be ready to dive a little deeper. For the more adventurous DIYer, the diagram can be an entry point to more advanced tasks. For instance, understanding the timing belt or chain (depending on the specific configuration, though the D902 typically uses a timing gear system, which is more robust) and its associated components shown on the diagram is crucial for tasks like timing adjustments or replacements. While this is a more involved job, having the diagram to visualize the placement of the camshaft, crankshaft, and timing gears is essential. Similarly, the diagram can help you understand the layout of the electrical system connections related to the engine, such as sensors (like the oil pressure sensor, coolant temperature sensor) and ignition components (like glow plugs for starting). While a full electrical schematic is separate, the engine diagram often shows the general location and connection points of these engine-specific electrical parts. For those looking to go even further, the Kubota RTV 500 service manual is the ultimate companion to the engine diagram. The manual will provide detailed step-by-step instructions for repairs, torque specifications, and diagnostic procedures, all referencing the components you see on the diagram. You can often find these manuals online, sometimes as PDFs, or you can purchase them from Kubota dealerships or specialized parts suppliers. Online forums and communities dedicated to Kubota vehicles are also fantastic resources. Other owners who have tackled similar issues can offer practical advice and insights that go beyond what a diagram alone can provide. Sharing your experiences and asking questions in these communities, often referencing parts by their names or locations as seen on the diagram, can lead to quick and effective solutions. When ordering parts, referencing the Kubota RTV 500 engine diagram is also crucial. Most diagrams will have part numbers associated with each component. Having these numbers ensures you order the exact correct part, avoiding costly mistakes and delays. Many online parts stores will allow you to search by part number or even browse diagrams to find what you need. So, the engine diagram isn’t just a static image; it’s a gateway to a wealth of information and resources that can empower you to take better care of your RTV 500. Keep learning, keep exploring, and your trusty UTV will keep serving you well.

Conclusion: Your Kubota RTV 500 Engine Diagram is Your Guide

Alright guys, we’ve covered a lot of ground today! From understanding the core components of your Kubota RTV 500 engine to using the Kubota RTV 500 engine diagram for everything from basic maintenance to tackling more complex troubleshooting. Remember, this diagram isn’t just a piece of paper; it’s your visual guide, your roadmap, and your key to unlocking a deeper understanding of your UTV. By familiarizing yourself with the engine block, pistons, crankshaft, fuel system, cooling system, and all the other vital parts shown, you’re empowering yourself to be a more capable owner. Regular maintenance, guided by the diagram, will keep your RTV 500 running smoothly and prevent costly breakdowns. And when issues do arise, the diagram provides the framework for systematic and effective troubleshooting. Don’t be intimidated by the complexity; break it down component by component, system by system. For those ready to go the extra mile, the diagram is your first step towards utilizing service manuals and online communities to become a true expert on your machine. So, keep that Kubota RTV 500 engine diagram handy, refer to it often, and you’ll find that maintaining and repairing your UTV becomes a much more manageable and even rewarding experience. Happy trails, and keep those wheels turning!