Memahami Sekring Mitsubishi Canter

M.Maidsafe 59 views
Memahami Sekring Mitsubishi Canter

Memahami Sekring Mitsubishi Canter

Halo, para mekanik dan pemilik Mitsubishi Canter! Pernahkah kalian menghadapi situasi di mana sistem kelistrikan truk kesayangan kalian tiba-tiba “mati suri”? Atau mungkin ada lampu indikator yang menyala aneh, tapi kalian bingung harus mulai dari mana? Nah, seringkali jawabannya ada pada komponen yang sering terabaikan namun sangat krusial: sekring Mitsubishi Canter , atau yang sering juga disebut fuse .

Sekring ini ibarat pahlawan tanpa tanda jasa dalam sistem kelistrikan truk kalian. Fungsinya sangat vital, yaitu melindungi komponen elektronik dari lonjakan arus listrik yang berlebihan. Bayangkan saja, tanpa sekring, setiap kali ada korsleting atau beban listrik yang terlalu berat, komponen mahal seperti ECU (Electronic Control Unit), sistem audio, lampu, hingga kipas radiator bisa langsung terbakar dan rusak parah. Ini tentu akan berujung pada biaya perbaikan yang membengkak, guys. Oleh karena itu, memahami seluk-beluk sekring Canter bukan cuma soal teknis, tapi juga soal menjaga “urat nadi” kelistrikan truk kalian agar tetap sehat dan prima. Artikel ini akan membawa kalian menyelami dunia sekring Canter, mulai dari fungsinya, jenis-jenisnya, cara membacanya, lokasi kotak sekringnya, hingga tips-tips penting dalam mengganti dan merawatnya. Siap-siap, karena kita akan bongkar semua biar truk Canter kalian makin jos di jalan!

Apa Sih Sekring Mitsubishi Canter Itu dan Kenapa Penting Banget?

Jadi gini, guys, kalau kita bicara soal sekring Mitsubishi Canter , kita sebenarnya lagi ngomongin soal safety device atau alat pengaman. Anggap aja sekring ini kayak satpam di komplek perumahan. Tugas utamanya adalah mencegah maling (dalam hal ini, arus listrik yang terlalu besar) masuk dan merusak rumah (komponen kelistrikan truk). Di dalam sekring itu sendiri, ada seutas kawat halus yang punya ketahanan terhadap arus listrik tertentu. Nah, kawat inilah yang jadi kunci utamanya. Ketika arus listrik yang mengalir melebihi batas aman yang sudah ditentukan oleh pabrikan, kawat di dalam sekring akan panas banget , kemudian meleleh , dan akhirnya putus . Begitu putus, aliran listrik ke komponen yang dilindungi otomatis terhenti. Sederhananya, sekring “mengorbankan diri” demi menyelamatkan komponen lain yang lebih mahal dan penting. Keren, kan?

Kenapa ini penting banget? Coba bayangin kalau truk kalian lagi jalan, terus tiba-tiba terjadi masalah pada sistem pengisian aki, misalnya. Alternator mengeluarkan arus yang terlalu besar. Tanpa sekring yang tepat, arus liar ini bisa langsung menjalar ke ECU, sistem kelistrikan utama, atau komponen sensitif lainnya. Akibatnya? Blarr! Komponen tersebut bisa langsung rusak permanen. Biaya penggantian ECU saja bisa bikin kantong bolong, lho. Belum lagi kalau sampai bikin truk mogok di tengah jalan, wah, urusannya makin panjang dan repot. Sekring ini bekerja cepat, dalam hitungan milidetik, ia sudah memutus arus yang berbahaya. Jadi, dengan adanya sekring yang berfungsi baik, kita punya “penjaga” yang sigap melindungi investasi kalian. Makanya, jangan pernah meremehkan pentingnya sekring yang bagus dan sesuai spesifikasi di Mitsubishi Canter kesayangan kalian. Ini adalah salah satu bentuk preventive maintenance yang paling sederhana tapi paling efektif, guys. Pastikan kalian selalu tahu kondisi sekring di truk kalian, karena ini menyangkut keselamatan dan kelancaran operasional bisnis kalian.

Mengenal Berbagai Jenis Sekring pada Mitsubishi Canter

Oke, guys, sekarang kita masuk ke bagian yang lebih teknis tapi super penting : jenis-jenis sekring yang ada di Mitsubishi Canter. Kalian enggak perlu jadi ahli elektro, kok. Cukup kenali beberapa tipe utamanya biar gampang kalau mau ganti atau cek. Secara umum, ada dua tipe sekring utama yang sering kita temui di mobil dan truk zaman sekarang, termasuk Canter: Blade Fuse dan Fusible Link . Masing-masing punya ciri khas dan fungsi spesifik.

Yang pertama, dan paling umum, adalah Blade Fuse . Ini adalah sekring yang paling sering kalian lihat kalau buka kotak sekring. Bentuknya kayak bilah pipih (makanya disebut blade ) yang terbuat dari plastik, biasanya berwarna-warni, dengan dua kaki logam di bagian bawahnya. Di dalam badannya yang plastik itu ada kawat halus tadi. Nah, yang bikin menarik dari blade fuse ini adalah kodenya yang pakai warna. Setiap warna mewakili kapasitas arus listrik yang berbeda. Misalnya, warna merah biasanya untuk 10 Ampere (A), biru untuk 15A, kuning untuk 20A, dan seterusnya. Penting banget buat catat atau hafalin kode warna ini, ya! Kenapa? Karena kalau mau ganti sekring yang putus, kalian WAJIB pakai sekring dengan ampere yang sama. Jangan asal ganti yang lebih besar dengan harapan lebih awet, karena itu justru bisa bikin komponen lain terbakar. Ada juga varian blade fuse yang lebih besar dan kuat untuk beban yang lebih berat, biasanya disebut JCase Fuse atau Maxi Fuse , tapi ini lebih jarang ditemui di truk ringan seperti Canter.

Yang kedua adalah Fusible Link . Tipe ini biasanya digunakan untuk melindungi rangkaian utama yang membutuhkan arus sangat besar, seperti sistem pengisian daya utama atau starter. Bentuknya sedikit berbeda, biasanya berupa kabel yang dilapisi isolator tahan panas, dengan bagian tengahnya yang lebih tipis (serupa kawat yang meleleh). Kadang, sekring tipe ini ada di dalam boks yang terpisah atau langsung terhubung ke terminal aki atau alternator. Fungsinya sama: memutus arus jika berlebih. Karena fungsinya yang vital dan menangani arus besar, fusible link ini biasanya tidak semudah blade fuse untuk diganti. Kadang perlu sedikit trik atau bahkan bantuan bengkel jika putus. Penting untuk dicatat bahwa setiap sirkuit di Mitsubishi Canter sudah didesain pabrikan dengan sekring berkapasitas tertentu. Jadi, sekali lagi, jangan pernah mengganti sekring dengan ampere yang lebih tinggi dari spesifikasi aslinya. Ini bukan soal upgrade, tapi soal menjaga keselamatan sistem kelistrikan truk kalian, guys. Paham ya sampai sini?

Cara Membaca Kode Warna dan Ampere Sekring Canter

Pasti kalian pernah kan, lihat sekring yang warnanya beda-beda di kotak sekring Canter kalian? Nah, warna-warna itu bukan cuma buat gaya-gayaan, guys. Itu adalah kode standar internasional untuk menunjukkan besaran kapasitas arus listrik (Ampere atau A) yang bisa ditoleransi oleh sekring tersebut. Penting banget buat kalian paham ini, karena salah pasang ampere bisa berakibat fatal. Anggap saja ini bahasa rahasia antara sekring dan sistem kelistrikan truk kalian.

Biar gampang diingat, ini dia beberapa kode warna yang paling umum pada blade fuse yang sering kalian temui di Mitsubishi Canter:

  • Coklat : 5 Ampere (A) - Biasanya untuk sirkuit dengan kebutuhan daya sangat kecil.
  • Merah : 10 Ampere (A) - Ini yang paling sering ditemui, untuk lampu, klakson, atau aksesori standar lainnya.
  • Biru : 15 Ampere (A) - Sedikit lebih besar dari merah, sering untuk sistem AC, wiper, atau sistem audio yang lebih kuat.
  • Kuning : 20 Ampere (A) - Kapasitas lebih besar, biasanya untuk sirkuit seperti pemanas kabin, power window (jika ada), atau kipas radiator.
  • Bening/Putih : 25 Ampere (A) - Jarang ditemui tapi ada, untuk sirkuit yang butuh daya lebih.
  • Hijau : 30 Ampere (A) - Kapasitas paling besar di tipe blade fuse standar, untuk sirkuit yang memakan daya cukup signifikan.

Selain warna, biasanya di bagian atas badan sekring juga tertera angka Ampere-nya secara jelas. Jadi, kalau ragu sama warnanya, bisa langsung cek angkanya. Nah, sekarang, gimana cara penerapannya?

Misalnya, kalian menemukan sekring warna biru (15A) putus di kotak sekring bagian interior . Berarti, sirkuit itu butuh daya 15 Ampere. Kalau kalian mau ganti, WAJIB beli sekring baru yang juga 15 Ampere . Boleh sama persis warnanya (biru), atau kalau tidak ada, cari yang angkanya 15A. Kalau kalian nekat pasang sekring 20A (kuning) atau 30A (hijau) dengan alasan biar lebih kuat, itu sama saja membuka pintu masalah. Arus yang seharusnya dibatasi 15A bisa jadi sampai 20A atau 30A. Kawat di dalam sekring baru itu kuat menahan, tapi kabel-kabel di truk kalian belum tentu kuat. Akibatnya? Kabel bisa meleleh, isolatornya terbakar, terjadi korsleting yang lebih parah, bahkan bisa menyebabkan kebakaran! Makanya, patuhi selalu spesifikasi pabrikan, guys. Cek buku manual truk kalian jika ada keraguan. Memahami kode warna dan ampere ini adalah langkah fundamental untuk menjaga keamanan dan performa Mitsubishi Canter kalian.

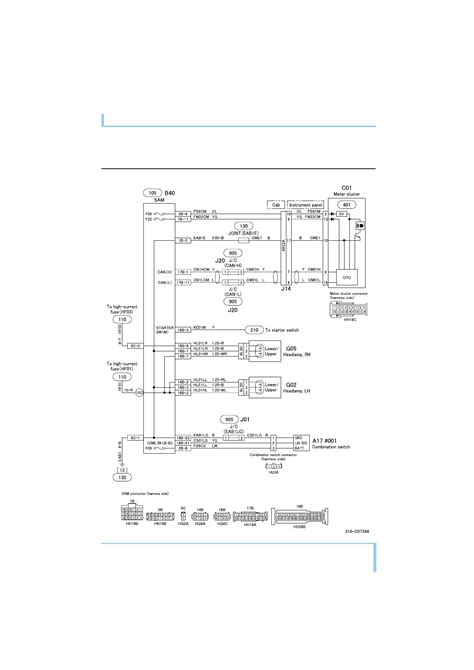
Lokasi Kotak Sekring Mitsubishi Canter: Panduan Lengkap

Nah, guys, pertanyaan paling fundamental ketika ada masalah kelistrikan di Mitsubishi Canter adalah: “ Dimana sih letak kotak sekringnya? ” Tenang, kalian enggak sendirian. Banyak yang bingung karena letaknya bisa sedikit berbeda tergantung tahun produksi dan tipe spesifik Canter kalian. Tapi, jangan khawatir, saya akan berikan panduan lengkapnya. Umumnya, Mitsubishi Canter memiliki dua atau lebih lokasi kotak sekring utama. Kalian perlu mengecek keduanya untuk menemukan sekring yang bermasalah.

Lokasi pertama yang paling sering ditemui adalah di dalam kabin pengemudi . Paling umum, kotak sekring ini terletak di bawah dashboard sisi pengemudi . Kalian perlu sedikit membungkuk dan melihat ke area dekat pedal gas atau di sisi kiri dashboard. Kadang, posisinya tersembunyi di balik panel kecil yang bisa dilepas. Cara membukanya biasanya dengan mencongkel sedikit menggunakan obeng minus kecil atau bahkan cukup ditarik. Setelah panel terbuka, kalian akan melihat deretan sekring dengan berbagai ukuran dan warna. Di balik tutup panel kotak sekring atau di buku manual truk biasanya ada diagram atau peta sekring ( fuse box diagram ). Peta ini sangat penting karena menunjukkan sekring mana yang mengontrol komponen apa (misalnya, sekring lampu sein, sekring audio, sekring wiper, sekring lighter, dll.).

Lokasi kedua yang juga sering ada adalah di ruang mesin . Kotak sekring di ruang mesin ini biasanya lebih besar dan lebih kokoh karena terlindungi dari cuaca. Posisinya bisa bervariasi, tapi seringkali berada di dekat area baterai atau di dinding kompartemen mesin yang mudah dijangkau. Kotak sekring di ruang mesin ini biasanya menangani komponen-komponen yang membutuhkan daya lebih besar atau berhubungan langsung dengan mesin, seperti kipas radiator, sistem pendingin udara (AC), pompa bahan bakar, atau klakson utama. Sama seperti di dalam kabin, kotak sekring di ruang mesin ini juga biasanya dilengkapi dengan tutup yang harus dibuka untuk mengakses sekring di dalamnya. Di dalam atau di tutupnya juga seringkali terdapat label atau diagram yang menjelaskan fungsi setiap sekring.

Tips Penting : Jika kalian kesulitan menemukan kotak sekring, buku manual pemilik Mitsubishi Canter kalian adalah sumber informasi terbaik . Di sana, biasanya ada gambar yang jelas menunjukkan lokasi dan diagram sekring. Kalau buku manualnya hilang, coba cari secara online dengan mengetikkan tipe dan tahun produksi Canter kalian diikuti kata kunci “fuse box location” atau “diagram sekring”. Memahami lokasi ini adalah langkah awal krusial sebelum kalian bisa mendiagnosis dan memperbaiki masalah kelistrikan. Jadi, luangkan waktu sejenak untuk menemukannya, guys!

Cara Mengganti Sekring Mitsubishi Canter yang Putus

Oke, guys, kita sudah tahu pentingnya sekring, jenis-jenisnya, cara membacanya, dan di mana letaknya. Sekarang saatnya kita masuk ke bagian paling praktis: bagaimana cara mengganti sekring Mitsubishi Canter yang putus? Proses ini sebenarnya cukup mudah dan bisa dilakukan sendiri tanpa perlu ke bengkel, asalkan kalian teliti dan mengikuti langkah-langkah yang benar. Ini penting banget biar kerjaan kalian enggak ketunda gara-gara sekring mati.

Langkah 1: Identifikasi Sekring yang Putus.

Pertama-tama, kalian harus tahu sekring mana yang bermasalah. Misalnya, lampu kabin tiba-tiba mati. Cek diagram sekring (yang ada di tutup kotak sekring atau buku manual) untuk mencari tahu sekring mana yang mengontrol lampu kabin. Buka kotak sekring yang relevan (di kabin atau ruang mesin), lalu perhatikan setiap sekring yang ada di jalur tersebut. Sekring yang putus biasanya menunjukkan tanda fisik yang jelas: kawat di dalamnya terlihat terputus atau menghitam. Kadang, badan plastiknya juga terlihat sedikit meleleh atau berubah warna.

Langkah 2: Siapkan Sekring Pengganti yang Sesuai.

Ini adalah langkah paling krusial, guys. WAJIB gunakan sekring pengganti dengan nilai Ampere yang sama persis dengan sekring yang putus. Jangan pernah menggunakan sekring dengan Ampere lebih tinggi. Jika sekring yang putus adalah 10A (merah), maka sekring penggantinya juga harus 10A (merah). Kalau kalian tidak yakin, periksa angka Ampere yang tertera di bagian atas sekring lama sebelum dicabut, atau lihat kembali diagram sekring. Sangat disarankan untuk selalu menyimpan stok sekring cadangan dengan berbagai ukuran Ampere di dalam kabin truk. Harganya murah kok, tapi sangat membantu saat darurat.

Langkah 3: Cabut Sekring Lama dan Pasang Sekring Baru.

Untuk mencabut sekring, biasanya kalian bisa menggunakan tangan langsung jika ruangnya cukup. Namun, untuk sekring yang posisinya agak sulit dijangkau atau agar lebih aman dan presisi, gunakanlah alat pencabut sekring ( fuse puller ) . Alat ini biasanya berbentuk pinset kecil dan seringkali sudah disertakan di dalam kotak sekring bawaan truk. Tarik sekring lama lurus ke atas dengan hati-hati. Setelah sekring lama tercabut, periksa lubangnya, pastikan tidak ada kotoran yang mengganjal. Kemudian, pasang sekring baru dengan posisi kaki logamnya masuk ke dalam lubang soket sekring. Pastikan terpasang dengan benar dan rapat. Jangan dipaksa ya.

Langkah 4: Uji Coba.

Setelah sekring baru terpasang, nyalakan mesin atau sistem kelistrikan yang terkait (misalnya, nyalakan lampu kabin) untuk memastikan semuanya berfungsi normal kembali. Jika masalah teratasi, bagus! Tapi, jika sekring baru langsung putus lagi, itu tanda ada masalah yang lebih serius pada sistem kelistrikan truk kalian, seperti korsleting pada kabel atau komponen yang rusak. Dalam kasus ini, sebaiknya segera bawa truk ke bengkel terpercaya untuk pemeriksaan lebih lanjut.

Ingat, guys, mengganti sekring adalah solusi sementara jika sekring putus karena beban berlebih sesaat. Tapi jika sekring putus berulang kali, itu pertanda ada masalah yang perlu segera diatasi secara tuntas. Jaga-gantilah sekring dengan benar, dan truk Canter kalian akan selalu prima!

Troubleshooting Umum Masalah Sekring Mitsubishi Canter

Kadang, meski sudah ganti sekring, masalah kelistrikan di Mitsubishi Canter kalian belum tentu langsung beres. Ada beberapa skenario troubleshooting yang sering terjadi dan perlu kalian waspadai. Jangan panik dulu, guys, kita coba bedah satu per satu.

1. Sekring Baru Langsung Putus Lagi:

Ini adalah sinyal paling jelas bahwa ada masalah yang lebih dalam dari sekadar sekring yang kelebihan beban sesaat. Penyebab paling umum adalah korsleting (hubungan pendek) pada kabel. Bisa jadi ada kabel yang isolatornya terkelupas akibat gesekan, terjepit, atau usia, sehingga kawat positif bertemu dengan bodi logam truk (ground). Hal ini menyebabkan lonjakan arus yang sangat besar dan langsung memutus sekring baru. Penyebab lain bisa jadi komponen elektronik yang rusak dan mengalami short circuit di dalamnya. Misalnya, dinamo kipas radiator yang gulungannya sudah korslet. Solusinya : Jangan terus-menerus ganti sekring! Segera periksa jalur kabel yang terkait dengan sekring tersebut. Cari bagian yang tergores, terjepit, atau terbakar. Jika menemukan masalah pada kabel, perbaiki isolasinya atau ganti kabel yang rusak. Jika masalahnya pada komponen, komponen tersebut harus diganti. Kalau kalian tidak yakin, stop jangan dipaksa, bawa ke bengkel.

2. Beban Listrik Terasa Kurang Optimal Setelah Ganti Sekring:

Kadang, setelah mengganti sekring, lampu jadi redup, audio kurang bertenaga, atau performa komponen lain menurun, padahal sekringnya tidak putus. Ini bisa terjadi jika kalian salah memasang sekring , yaitu menggunakan sekring dengan Ampere yang terlalu rendah dari spesifikasi. Misalnya, seharusnya pakai 15A tapi malah pasang 10A. Arus yang dibutuhkan komponen jadi tidak terpenuhi karena sekringnya