RT8230A: Your Guide To This Power Management IC

M.Maidsafe 111 views
RT8230A: Your Guide To This Power Management IC

RT8230A: Your Ultimate Guide to This Power Management IC

Hey everyone! Today, we’re diving deep into a component that’s pretty crucial in the world of electronics: the RT8230A . If you’re into building circuits, troubleshooting devices, or just curious about how your gadgets get their power, then this little chip is something you’ll definitely want to know about. We’re going to break down what the RT8230A is, what it does, and why it’s a big deal in the realm of power management.

Unpacking the RT8230A: What Exactly Is It?

So, what’s the scoop with the RT8230A ? At its core, the RT8230A is a dual-channel synchronous buck converter . Whoa, big words, right? Let’s break that down. A “buck converter” is a type of DC-to-DC converter that steps down a voltage. Think of it like a dimmer switch for electricity, but way more efficient. “Synchronous” means it uses MOSFETs (which are like electronic switches) to handle the energy transfer, making it super efficient – less energy wasted as heat, which is always a good thing, guys!

Now, “dual-channel” means it can handle two separate power output rails. This is super handy because many electronic devices need different voltage levels to power different parts. Instead of using two separate chips, you can often use one RT8230A to manage these multiple voltage requirements. This is a massive win for simplifying circuit design , reducing component count , and ultimately, saving space and cost in your final product. It’s a versatile workhorse for power management ICs (Integrated Circuits) .

Key Features That Make the RT8230A Shine

This chip isn’t just about converting voltage; it’s packed with features that make it a favorite among engineers. One of the standout features is its high efficiency . Modern electronics are all about squeezing the most performance out of every drop of battery power, and the RT8230A is designed to do just that. It achieves high efficiency across a wide range of load conditions, meaning it works really well whether your device is chugging power or just sipping it.

Another critical aspect is its adjustable output voltage . This means you’re not locked into a specific voltage. You can configure the RT8230A to output the exact voltage your circuit needs, making it incredibly flexible. This adjustability is usually done through external resistors, giving you fine-grained control over your power rails. This level of customization is essential for the diverse and evolving landscape of electronic designs. Whether you’re working on a low-power IoT device or a more demanding computing application, the ability to precisely tailor the output voltage is invaluable.

Furthermore, the RT8230A typically includes robust protection features . Think over-current protection , over-voltage protection , and thermal shutdown . These safeguards are non-negotiable in electronic design. They protect your valuable components from damage due to unexpected power surges or overheating, preventing costly failures and ensuring the longevity of your devices. These built-in safety nets are a testament to the thoughtful engineering that goes into components like the RT8230A, giving designers peace of mind.

It also boasts a wide input voltage range . This means it can accept a broad spectrum of input voltages, making it suitable for applications powered by various sources, from batteries to wall adapters. This adaptability further solidifies its position as a go-to solution for a wide array of electronic projects. The ability to handle fluctuating input voltages without compromising performance or reliability is a significant advantage.

Finally, let’s talk about package options . The RT8230A usually comes in small, surface-mount packages (like QFN or WQFN). These compact forms are perfect for modern, space-constrained electronic devices. Designing smaller, thinner, and lighter gadgets is a constant trend, and components like the RT8230A, with their small footprint, are absolutely essential to achieving these miniaturization goals. The ease of integration into automated manufacturing processes also makes these packages highly desirable for mass production.

The Power Behind the Performance: How Does It Work?

Alright, let’s get a little more technical, but don’t worry, we’ll keep it understandable. The RT8230A operates using a sophisticated control scheme. It typically employs a voltage-mode or current-mode control architecture. In simple terms, it constantly monitors the output voltage and adjusts its switching behavior to keep that voltage precisely where it needs to be, even as the load changes or the input voltage fluctuates. This constant vigilance ensures stable and reliable power delivery.

At the heart of its operation are the internal MOSFETs . These are high-performance transistors that act as the switching elements. When the control circuitry tells them to, they turn on and off extremely rapidly – we’re talking hundreds of kilohertz or even megahertz! This high-frequency switching is key to the efficiency and small size of the resulting inductor and capacitor components needed for filtering. The energy is stored in an external inductor and then released to the output capacitor, smoothing out the pulsed power into a steady DC voltage.

Synchronous rectification is another crucial part. Unlike older converters that used diodes, which can be inefficient, synchronous converters use another MOSFET in place of the diode. This significantly reduces conduction losses, especially at lower output voltages, boosting the overall efficiency. It’s like having a super-efficient gatekeeper for the electrical energy flowing through the chip.

Input and Output Channels Explained

As we mentioned, the RT8230A is a dual-channel converter. This means it has two independent sets of switching circuits, inductors, and output filters (though inductors and some capacitors are external components). Each channel can be configured to provide a specific output voltage and handle a certain amount of current. This allows you to power, for example, the CPU core and the system memory in a motherboard, or the display and the processing unit in a portable device, all from a single IC.

Each channel typically operates independently, allowing for different voltage regulation requirements. One channel might be set to 1.8V for memory, while the other is set to 1.1V for the processor. The ability to independently control and regulate these voltages is paramount for the stability and performance of complex systems. This parallel processing of power is what makes the RT8230A so valuable in multi-rail power supply designs.

Efficiency and Thermal Management

High efficiency is not just a buzzword; it’s a performance metric that directly impacts battery life and heat generation. The RT8230A is designed with advanced techniques to maximize efficiency. This includes low-resistance MOSFETs, optimized switching algorithms, and excellent light-load efficiency. This means that even when your device is in standby mode or performing low-demand tasks, the power management system isn’t draining the battery unnecessarily. It’s always working to conserve energy.

Good thermal management is intrinsically linked to efficiency. While the RT8230A is designed to be efficient, some heat is inevitably generated. The chip itself usually incorporates thermal shutdown protection. If the internal temperature gets too high, it will temporarily shut down to prevent damage. Furthermore, the choice of package and proper PCB layout are critical for dissipating heat effectively. Engineers must carefully consider thermal performance during the design phase, ensuring that the RT8230A operates within its safe temperature limits, even under full load conditions. This proactive approach to heat management is vital for long-term reliability.

Applications: Where You’ll Find the RT8230A

The versatility and performance of the RT8230A make it a popular choice across a wide range of applications. If you’re wondering where this little chip makes a big impact, here are some common places you’ll find it:

Consumer Electronics

In the realm of consumer electronics , the RT8230A is a workhorse. Think about your laptops, tablets, smartphones, and even gaming consoles. These devices often require multiple voltage rails to power different components like the CPU, GPU, memory, and various peripheral chips. The RT8230A’s dual-channel capability and high efficiency are perfect for these space-constrained and power-sensitive applications. It helps manufacturers create sleeker, more powerful devices with longer battery life. For instance, in a laptop, one channel might power the main processor while the other powers the display backlight or the audio subsystem, all regulated efficiently.

Computing and Server Motherboards

Motherboards for desktops and servers rely heavily on efficient power management. The RT8230A can be found in various power delivery networks (PDNs) on motherboards, providing clean and stable power to critical components like chipsets, memory modules, and voltage regulators for the CPU itself. Its ability to handle dynamic load changes is crucial here, as modern processors can switch between very low power states and high-performance states in microseconds.

Industrial Control Systems

Industrial applications demand reliability and robustness, and the RT8230A often fits the bill. In control systems, sensors, and automation equipment, precise voltage regulation is key for accurate operation. The RT8230A can be used to generate the various supply voltages needed for different modules within an industrial setup, ensuring stable performance in often harsh environmental conditions. The protection features of the RT8230A are particularly valuable in these settings, safeguarding sensitive equipment from power line noise or surges.

Automotive Electronics

While specific automotive-grade variants might exist, the principles behind the RT8230A are relevant to automotive electronics . Modern cars are essentially rolling computers, packed with ECUs (Electronic Control Units), infotainment systems, and sensor networks. These systems require multiple, reliable power rails. The ability to efficiently convert and regulate voltages from the car’s main battery system is essential. The RT8230A’s efficiency helps reduce heat and power consumption, which are critical considerations in vehicle design.

Telecommunications Equipment

In the telecommunications sector , from base stations to networking equipment, stable and efficient power is non-negotiable. The RT8230A can be employed to provide the necessary power rails for processors, FPGAs, and other components within these systems. Reliability is paramount, and the built-in protections of the RT8230A contribute to the overall robustness of the equipment.

Designing with the RT8230A: What You Need to Know

So, you’ve decided the RT8230A is the right chip for your project. Awesome! But before you go soldering it onto your board, there are a few key things to keep in mind to ensure everything works smoothly. Designing with any power management IC requires careful planning, and the RT8230A is no exception. It’s all about getting the surrounding components right and following best practices.

Component Selection

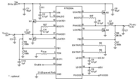
Remember, the RT8230A is a converter , and like all converters, it relies on a few external components to do its job. The most critical ones are the inductors and capacitors . The values of these components directly affect the performance, efficiency, and stability of your power supply. The datasheet for the RT8230A will provide guidance on selecting appropriate inductors (considering factors like saturation current and DC resistance) and capacitors (for input filtering, output filtering, and stability).

Choosing the right inductor is paramount. It needs to handle the peak currents without saturating, and its DC resistance (DCR) should be as low as possible to minimize power loss. Similarly, the output capacitors are crucial for filtering ripple and ensuring transient response. Often, ceramic capacitors are used for their low Equivalent Series Resistance (ESR), but a combination of ceramic and electrolytic or tantalum capacitors might be needed for optimal performance, depending on the ripple requirements and desired stability.

PCB Layout Considerations

Good PCB layout is arguably the most important factor for achieving optimal performance from any switching power supply, including those using the RT8230A . High-frequency switching generates noise, and a poorly designed layout can lead to instability, electromagnetic interference (EMI), and reduced efficiency. Here are some golden rules:

  1. Keep power loops small: The paths that high-current switching currents take should be as short and direct as possible. This minimizes inductance and reduces noise radiation.
  2. Use proper grounding: A solid ground plane is essential. Connect all ground pins of the RT8230A and associated components directly to this plane. Separate analog and digital grounds if necessary, but ensure they are connected at a single point, usually near the IC.
  3. Component placement: Place the input capacitors close to the VIN and GND pins of the RT8230A. Place the output capacitors close to the output pins and the inductor.
  4. Trace widths: Use wide traces or copper pours for power paths to minimize resistance and inductance. Thicker copper layers are generally better for high-current applications.
  5. Signal routing: Route sensitive analog feedback signals away from noisy switching nodes.

Following these guidelines meticulously will make the difference between a power supply that works flawlessly and one that causes headaches. It’s not just about connecting the dots; it’s about understanding the flow of electricity and minimizing unwanted interactions.

Datasheet is Your Best Friend

Never, ever underestimate the power of the datasheet! The manufacturer’s datasheet for the RT8230A is your ultimate guide. It contains all the critical information you need: electrical characteristics, recommended operating conditions, component selection tables, application circuits, layout examples, and troubleshooting tips. Reading and understanding the datasheet thoroughly before you start designing is non-negotiable. It’s where the engineers who designed the chip tell you exactly how to use it best. Pay close attention to the recommended schematics and layout examples provided; they are usually a great starting point and incorporate best practices.

Conclusion: The RT8230A - A Powerhouse for Modern Electronics

In summary, the RT8230A is a highly capable dual-channel synchronous buck converter that plays a vital role in the power management systems of countless electronic devices. Its combination of high efficiency, adjustable output voltages, robust protection features, and compact form factor makes it an attractive solution for engineers designing everything from consumer gadgets to industrial equipment.

Whether you’re a seasoned hardware engineer or just starting out in the world of electronics, understanding components like the RT8230A is key to building reliable and performant circuits. By paying attention to component selection, PCB layout, and thoroughly consulting the datasheet, you can harness the full potential of this versatile power management IC. So next time you see a sleek new gadget, remember the unsung heroes like the RT8230A working diligently inside to keep everything powered up and running smoothly!