TL7805 Voltage Regulator: A Deep Dive

M.Maidsafe 141 views
TL7805 Voltage Regulator: A Deep Dive

TL7805 Voltage Regulator: A Deep Dive

Hey guys! Today, we’re going to dive deep into the world of the TL7805 voltage regulator . You know, those little components that are super crucial for making sure your electronic projects get the stable power they need? If you’re into electronics, hobbyist or a pro, understanding these regulators is like knowing your ABCs. We’ll break down what the TL7805 is, how it works, its key features, and why it’s still a go-to choice for many applications. So, buckle up, and let’s get our tech on!

Understanding the TL7805: What Is It and Why Do We Need It?

Alright, let’s kick things off by getting a solid grasp on what exactly the TL7805 voltage regulator is and why it’s such a big deal in the electronics universe. In simple terms, a voltage regulator is a circuit designed to maintain a constant output voltage, regardless of changes in the input voltage or the load current. Think of it like a trusty bouncer at a club, ensuring that only the right amount of ‘energy’ (voltage, in this case) gets to the ‘dance floor’ (your electronic components). Without a regulator, your sensitive circuits could be blasted with too much voltage, leading to a spectacular (and expensive) failure, or suffer from dips that cause them to malfunction. The TL7805 is a specific type of linear voltage regulator, part of the widely used 78xx series. The ‘05’ in its name signifies that it’s designed to output a steady 5 volts . This 5V output is incredibly common and powers a vast array of digital logic ICs, microcontrollers, sensors, and countless other devices. So, whenever you see a project requiring a stable 5V supply, chances are high that a component like the TL7805 is playing a vital role behind the scenes. Its simplicity, reliability, and affordability have made it a staple in everything from hobbyist breadboard projects to more robust industrial applications. Understanding its function is fundamental to designing and troubleshooting any electronic system that relies on a consistent power source. It’s the unsung hero that keeps your gadgets running smoothly and prevents them from going haywire due to power fluctuations. We’ll explore its internal workings and applications further, but for now, just remember: the TL7805 is your reliable friend for a steady 5 volts.

How Does the TL7805 Work? The Magic Inside!

Now, let’s peel back the curtain and see how this little TL7805 voltage regulator actually pulls off its magic. It’s a linear regulator, which means it essentially acts like a variable resistor in series with the load. It continuously adjusts its resistance to drop the excess input voltage, thereby maintaining a constant output voltage. Inside the TL7805, you’ll find a clever arrangement of transistors, diodes, and a voltage reference. The core of the regulator is a precision voltage reference that sets the target output voltage. This reference is compared to a fraction of the output voltage (using a voltage divider). If the output voltage starts to rise above 5V, the comparator detects this and signals the pass transistor (usually a power transistor) to increase its resistance, which in turn reduces the output voltage. Conversely, if the output voltage drops below 5V, the comparator signals the pass transistor to decrease its resistance, allowing more current to flow and bringing the output voltage back up. It’s a continuous feedback loop, working incredibly fast to keep things stable. A key aspect of linear regulators like the TL7805 is that they dissipate the excess voltage as heat. This means if you have a large difference between your input voltage and the desired 5V output, or if you’re drawing a significant amount of current, the regulator can get quite hot. That’s why you’ll often see them mounted on heatsinks, especially in higher-power applications. The internal circuitry also includes protective features. Most 78xx series regulators, including the TL7805, have built-in thermal shutdown and current limiting . Thermal shutdown protects the device from overheating by shutting it down if its internal temperature exceeds a safe limit. Current limiting prevents the regulator from supplying excessive current, which could damage it or the connected load. These safety features add to the robustness and reliability of the TL7805, making it a safe choice for many projects. Understanding this feedback mechanism and the heat dissipation is crucial for proper application and design, ensuring your regulator operates efficiently and safely.

Key Features and Specifications of the TL7805

When you’re choosing a component like the TL7805 voltage regulator , you need to know its specs, right? Luckily, the TL7805 comes with a set of pretty useful features that make it a solid choice for many 5V power supply needs. Let’s break down some of the most important ones:

  • Fixed 5V Output: This is the star of the show! The TL7805 is specifically designed to provide a regulated output voltage of +5V . This makes it incredibly convenient for circuits that require this precise voltage level, like most digital logic ICs (think TTL and many CMOS families) and microcontrollers.
  • Wide Input Voltage Range: It can typically handle a range of input voltages, usually from around 7V to 25V (check the specific datasheet for exact limits). This flexibility means you can power it from various sources, such as a higher voltage DC power supply, a transformer with a rectifier and filter, or even a battery pack. The important thing is that the input voltage needs to be at least a few volts higher than the output voltage (this is called the ‘dropout voltage’) for the regulator to work effectively.
  • Output Current Capability: The TL7805 can typically deliver up to 1A (1000mA) of output current. This is a decent amount for many applications, powering several ICs, sensors, or even small motors. For higher current needs, you might need to explore external pass transistors or different regulator types, but for general-purpose use, 1A is often sufficient.
  • Internal Thermal Overload Protection: As mentioned before, this is a lifesaver! If the regulator gets too hot due to excessive power dissipation, it will automatically shut down to prevent damage. Once it cools down, it will usually restart automatically (though this behavior can sometimes depend on the specific variant and conditions).
  • Internal Short-Circuit Current Limiting: This feature protects both the regulator and your circuit if a short circuit occurs on the output. It limits the maximum current that can flow, preventing catastrophic damage.
  • TO-220 Package: The TL7805 is commonly found in the TO-220 package . This is a popular, robust package that makes it easy to mount on a PCB and, importantly, attach a heatsink if needed. The metal tab on the TO-220 package is often connected to the middle pin (ground), making heatsink mounting straightforward.
  • Low Noise and Ripple Rejection: While it’s a linear regulator, the TL7805 offers good ripple rejection . This means it’s good at filtering out unwanted AC ripple from your input power supply, resulting in a cleaner DC output for your sensitive circuits.

Understanding these specifications helps you determine if the TL7805 is the right fit for your project. It’s a robust component with built-in protections, making it a reliable workhorse.

Common Applications for the TL7805

So, where does this trusty TL7805 voltage regulator actually shine? Guys, its applications are super diverse, ranging from simple hobbyist projects to more complex systems. Because it provides a clean and stable 5V, it’s a go-to for anything that needs that specific voltage level. Here are some of the most common places you’ll find the TL7805:

  • Powering Digital Logic Circuits: This is probably its most frequent gig. Microcontrollers (like Arduinos, Raspberry Pis – though these often have their own regulators), microprocessors , logic gates , and memory chips typically operate at 5V. The TL7805 provides the rock-solid 5V they need to function correctly and reliably. Without it, these digital brains could misinterpret signals or fail altogether due to unstable power.
  • Sensor Power Supplies: Many electronic sensors, whether they’re temperature sensors, humidity sensors, accelerometers, or GPS modules, are designed to run on 5V. The TL7805 offers a clean power source, which is essential for accurate sensor readings. Noise or voltage fluctuations can lead to erroneous data.
  • Hobbyist and DIY Electronics Projects: If you’re building robots, custom control panels, LED lighting systems, or any other cool DIY gadget, the TL7805 is an incredibly handy component to have in your toolkit. It’s easy to use on a breadboard or a perfboard and provides a reliable power rail for your experiments.
  • On-Board Voltage Regulation: In larger electronic devices, you might have a main power supply that provides a higher, unregulated voltage. The TL7805 can be used as a local regulator on specific circuit boards to provide the precise 5V needed by certain components on that board, isolating them from potential noise or fluctuations from other parts of the system.
  • Battery-Powered Devices: While linear regulators can be less efficient than switching regulators for battery-powered devices (due to power dissipation as heat), the TL7805 is still used in applications where simplicity and low noise are prioritized over absolute maximum battery life, especially if the input voltage isn’t drastically higher than 5V.
  • Educational Purposes: For students learning about electronics, the TL7805 is a perfect example of a fundamental component. Its clear function, simple hookup, and observable behavior (like getting warm) make it an excellent tool for teaching basic circuit design, power regulation, and heat management.

Essentially, any time you need a reliable, simple, and cost-effective way to get a steady 5V from a higher DC voltage source, the TL7805 is a strong contender. Its robustness and built-in protections make it suitable for a wide range of environments, ensuring your circuits get the consistent power they demand.

Tips for Using the TL7805 Effectively

Alright, guys, we’ve covered what the TL7805 voltage regulator is, how it works, and where it’s used. Now, let’s talk about how to use it like a pro to avoid any headaches and ensure your projects run smoothly. Using this component effectively is all about understanding its limitations and applying some basic electronic principles. Here are some crucial tips:

  1. Heatsinking is Key: This is probably the most important tip for the TL7805. As a linear regulator, it dissipates excess voltage as heat. The power dissipated ( \(P_d\) ) is calculated as \(P_d = (V_{in} - V_{out}) imes I_{out}\) . If you have a large difference between your input voltage and the 5V output, or if you’re drawing close to the 1A limit, the regulator will get hot . Always calculate the expected power dissipation and use an appropriate heatsink. For TO-220 packages, a simple finned heatsink is usually sufficient for moderate loads, but for heavy loads or poor ventilation, you might need a larger one or even a fan. Don’t skimp on the heatsink; an overheating regulator will shut down (thermal shutdown) or, in the worst case, fail permanently.

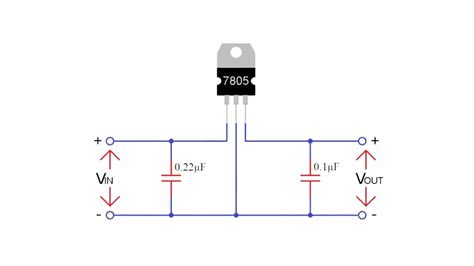
  2. Input and Output Capacitors: Always include input and output capacitors. A typical setup uses a capacitor (e.g., 0.1µF to 1µF ceramic ) close to the input pin and another capacitor (e.g., 1µF to 10µF electrolytic or tantalum ) close to the output pin. These capacitors help improve transient response, stability, and noise filtering. The input capacitor smooths out any fluctuations on the input supply, and the output capacitor filters the regulated output and helps prevent oscillations.

  3. Minimum Input Voltage (Dropout Voltage): Remember that the TL7805 needs a certain voltage above its output voltage to regulate properly. This is called the dropout voltage , and for the 78xx series, it’s typically around 2V. So, if you want a stable 5V output, your input voltage should ideally be at least 7V (5V + 2V). Applying an input voltage too close to 5V will result in an output voltage that is lower than 5V and unstable.

  4. Keep Leads Short: When soldering, keep the leads of the TL7805 and the associated capacitors as short as possible, especially the ones connected to the input and output pins. This minimizes inductance and resistance, which can affect performance, especially at higher frequencies.

  5. Check Datasheets: Always refer to the specific datasheet for the TL7805 variant you are using. Manufacturers like Texas Instruments, ON Semiconductor, and others might have slightly different specifications or recommended circuitry. The datasheet is your ultimate guide for operating conditions, absolute maximum ratings, and recommended application circuits.

  6. Grounding is Crucial: Ensure a solid ground connection. The TL7805 relies on its ground pin for proper operation and heat sinking. A poor ground connection can lead to erratic behavior or increased heat.

  7. Consider Alternatives for High Efficiency: If your application is battery-powered and efficiency is paramount, a linear regulator like the TL7805 might not be the best choice due to its power dissipation. In such cases, consider using a switching regulator (buck converter), which is much more efficient, although typically more complex.

By following these tips, you can confidently integrate the TL7805 into your designs, ensuring reliable and stable 5V power for your electronic circuits. It’s a simple component, but paying attention to these details makes a big difference!

Conclusion: The Ever-Reliable TL7805

So there you have it, guys! We’ve taken a comprehensive look at the TL7805 voltage regulator . From understanding its fundamental role in maintaining a steady 5V supply to exploring its internal workings, key features, common applications, and practical usage tips, it’s clear why this component remains a staple in the electronics world. Its simplicity, robustness, built-in protection features like thermal shutdown and current limiting, and its incredibly affordable price point make it an attractive option for a vast array of projects. Whether you’re powering up a microcontroller for a hobby robot, ensuring stable input for sensitive sensors, or designing a custom power supply for a specific application, the TL7805 delivers reliable performance. Remember those essential tips: always consider heatsinking for power dissipation, include input and output capacitors for stability, and respect the dropout voltage. By doing so, you can harness the full potential of the TL7805 and ensure your electronic circuits receive the clean, consistent power they need to function optimally. While newer, more efficient technologies exist, the TL7805’s ease of use and proven track record mean it will likely continue to be a go-to component for many engineers and hobbyists for years to come. It’s a testament to good, solid design that stands the test of time. Keep tinkering, keep building, and keep those projects powered up reliably with the trusty TL7805!